Home
Activities
Test Facility
Short Description
Detailed Description
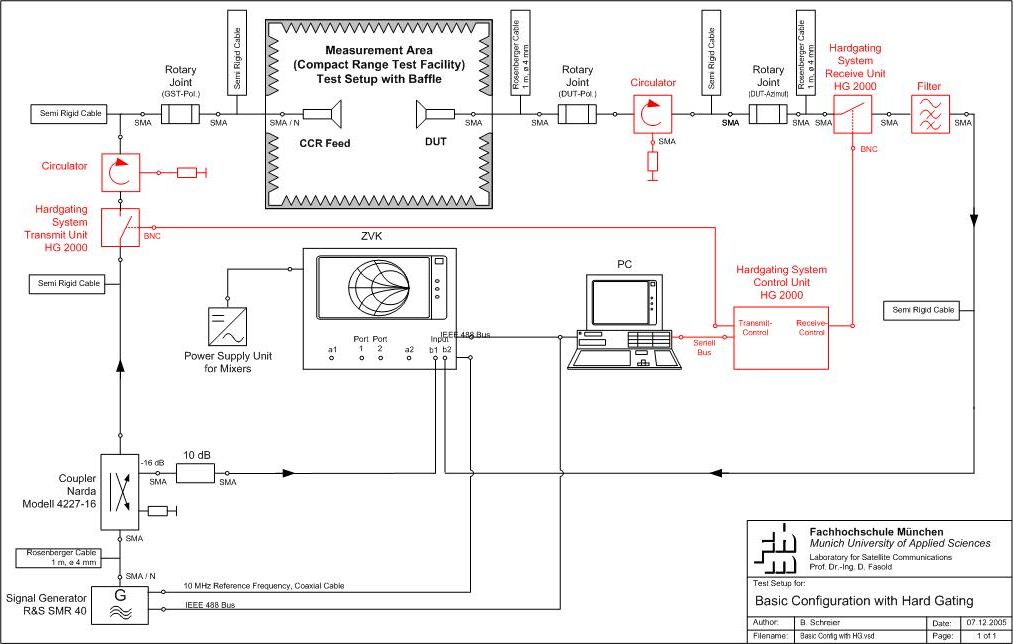
Typical Test Setup
Hardgating Animation
Publications
Personnel
Downloads
Site Plan
Contact us
Typical Test Setup