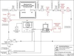
Please select one of the following topics: Short Description of the CCR Detailed Description of the CCR Typical Test Setup Hardgating Animation Publications